Доставка по России и СНГ

Высокоскоростной промышленный робот-манипулятор JZJ20B-180

Артикул: JZJ20B-180

JZJ20B-180 – компактный, универсальный и надежный 4-осевой робот-манипулятор, применяемый в различных отраслях промышленности и в логистике.

Описание

JZJ20B-180 – компактный, универсальный и надежный 4-осевой робот-манипулятор, применяемый в различных отраслях промышленности и в логистике.

Робот оснащен процессором PC-X86, операционной системой семейства Linux, простой в освоении системой управления 16DI&16DO и мощным двигателем от компании Tsino Dynatron. Поэтому агрегат отличается высокой степенью гибкости, точностью траектории и повторного позиционирования, быстротой и плавностью хода, а также стабильностью.

Данная модель входит в серию JZJ-B – линейку промышленных роботов, специально разработанных для выполнения задач по перемещению.

Робот широко используется в автомобильной и мотоциклетной промышленности, производстве авто- и мотозапчастей и аксессуаров, машиностроении и других областях. Также его применяют логистические компании, агропредприятия, металлообрабатывающие заводы и т.д.

Преимущества

  • Низкая цена
  • Широкий спектр применения и большая гибкость
  • Высокая скорость
  • Высокая точность повторного позиционирования
  • Оптимальный дизайн и высокое качество

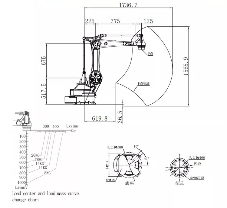
Чертежи робота

Особенности конструкции

Рука-манипулятор

Рука робота изготовлена из алюминиевого литья на обрабатывающем центре с ЧПУ. На поверхность манипулятора нанесено напыление, защищающее его от внешних воздействий и придающее аккуратный вид.

Разъем для кабеля

В руке робота имеется разъем для присоединения провода. Оно расположено так, чтобы не препятствовать работе манипулятора. Также предусмотрены клапан для воздушного патрубка и разъем для подключения линии передачи данных.

Крепление для установки оборудования

Держатель чашечного присоса установлен на торцевом фланце. Присос устанавливается на раму в соответствии с различными продуктами. Устройство подачи удобно в установке и регулировке, имеет широкий диапазон применения.

Защитное ограждение

Обеспечивает безопасность персонала. Предотвращает поломку оборудования и производственные травмы, которые могут случиться в результате нахождения человека в рабочей зоне.

Панель управления

Шкаф с системами управления

Роботизированный сварочный аппарат

Устройство подачи проволоки

Применение

Преимущества предприятия-производителя

Обслуживание по всему миру

В компании JZJRT Co., Ltd работает команда профессионалов, которая удовлетворит потребности клиента и обеспечит обслуживание робота в любой точке мира.

Проектирование и производство
В создании устройств участвуют более 20 опытных инженеров JZJRT Co., Ltd, которые внедряют последние научные достижения в сфере робототехники и машиностроения.

Контроль качества
В компании JZJRT Co., Ltd все этапы производственного процесса соответствуют стандартам ISO.

Технические характеристики

Форм-фактор Вертикальный многошарнирный
Количество осей 4
Грузоподъемность 20 кг
Амплитуда движения

Ось 1: -130° – 130°

Ось 2: -70° – 35°

Ось 3: -70° – 75°

Ось 4: -360° – 360°

Номинальная скорость движения

Ось 1: 185°/с

Ось 2: 185°/с

Ось 3: 185°/с

Ось 4: 480°/с

Точность повторного позиционирования ±0,08 мм
Максимальная досягаемость руки 1758 мм
Вес 305 кг
Условия эксплуатации

Температура окружающей среды: 0~45°C

Относительная влажность: 20%-80% (без конденсата)

Вибрация: <0,5G

Особые указания: место установки должно находиться вдали от легковоспламеняющихся или коррозийных газов и жидкостей, а также источников электромагнитных помех.

Степень защиты IP63
Мощность 3,8 кВА
Расширенный интерфейс Nine-core IO line 1 way gas circuit

Параметры шкафа управления и пульта обучения

Размеры 450 x 510 x 730 мм
Вес шкафа управления 55 кг
Способ охлаждения Воздушное
Источник питания Трехфазный, переменный ток, 380 В, 50/60 Гц
Входной и выходной сигнал 16DI/16DO
Способ управления позиционированием EtherCAT
Расширяемое количество внешних осей До 6
LAN (Host link) TCP/IP
Интерфейсы RS485 (1 шт.)
RS232 (2 шт.)
CAN (2 шт.)
USB 2.0 (1 шт.)
Блок привода Сервопривод переменного тока
Интерфейс безопасности 4 external emergency stop signal access
Температура

В работе: 0~+45°C

Не в работе: -20~+64°C

Относительная влажность 10%~90% (без конденсата)
Вибрация <0,5G
Длина кабеля 5 м

Характеристики

Основные характеристики

  • Точность повторного позиционирования, мм
    ±0,08
  • Вес робота, кг
    305
  • Длина кабеля, м
    5
  • Интерфейс
    RS485, RS232, CAN, USB 2.0
  • Мощность, кВА
    3,8
  • Вибрация, G
    <0,5
  • Степень защиты
    IP63
  • Расширенный интерфейс
    Nine-core IO line 1 way gas circuit
  • Размеры шкафа управления, мм
    450 x 510 x 730
  • Вес шкафа управления, кг
    55
  • Способ охлаждения шкафа управления
    Воздушное
  • Питание
    Трехфазное, переменный ток, 380 В, 50/60 Гц
  • Входной и выходной сигнал
    16DI/16DO
  • Способ управления позиционированием
    EtherCAT
  • Расширяемое количество внешних осей
    До 6
  • LAN (Host link)
    TCP/IP
  • Блок привода
    Сервопривод переменного тока
  • Максимальная досягаемость руки, мм
    1758
  • Температура окружающей среды, °C
    0~45
  • Относительная влажность
    20%-80%
  • Форм-фактор
    Вертикальный многошарнирный
  • Количество осей
    4
  • Грузоподъемность, кг
    20
  • Амплитуда движения (ось 1)
    -130° – 130°
  • Амплитуда движения (ось 2)
    -70° – 35°
  • Амплитуда движения (ось 3)
    -70° – 75°
  • Амплитуда движения (ось 4)
    -360° – 360°
  • Номинальная скорость движения (ось 1), °/с
    185
  • Номинальная скорость движения (ось 2), °/с
    185
  • Номинальная скорость движения (ось 3), °/с
    185
  • Номинальная скорость движения (ось 4), °/с
    480
  • Интерфейс безопасности
    4 external emergency stop signal access

Видеообзоры